Наше портфолио
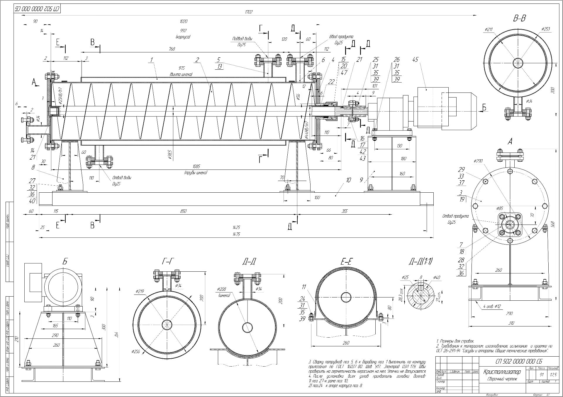
Кристаллизатор для очистки воды
Разработка полного комплекта конструкторской документации для ключевого узла инновационной установки — кристаллизатора, предназначенного для переработки отходов алюминиевого производства в ценный коагулянт (сульфат алюминия).
Технология не имеет аналогов и решает значительную экологическую проблему, предлагая экономически выгодное решение.
Кристаллизатор является ключевым элементом технологии, обеспечивающим процесс преобразования отходов в коагулянт.
ПодробнееСтенд проверки ручного тормоза
Разработка полного комплекта конструкторской документации для стенда проверки ручных тормозов автомобилей, способного обеспечить объективный контроль ключевых параметров изделия, а также повышение эффективности производственного процесса.
Крупнейший российский производитель автомобилей, завод АвтоВАЗ, столкнулся с необходимостью модернизации участка контроля сборки ручных тормозов.
Разработка подобного стенда и его конструкторской документации представляет собой важный вклад в развитие отечественного автомобилестроения, повышение конкурентоспособности продукции и обеспечение безопасности дорожного движения.
ПодробнееНаши клиенты






Обсудить проект РКД
Заполните форму, чтобы наш специалист связался с Вами и подробно проконсультировал

